Click here to close
Hello! We notice that you are using Internet Explorer, which is not supported by Xenbase and may cause the site to display incorrectly.
We suggest using a current version of Chrome,
FireFox, or Safari.
???displayArticle.abstract???
Transcription factors Pax3 and Zic1 are among the earliest genes activated at the neural plate border. In Xenopus, they are necessary and sufficient to promote the formation of multiple neural plate border cell types, including the neural crest, cranial placodes, and hatching gland. Pax3 is especially critical for the formation of the hatching gland, a group of cells that produce proteolytic enzymes essential to digest the egg vitelline envelope and jelly coat in order to release the tadpole into the environment. In a screen designed to identify downstream targets of Pax3, we isolated a member of the astacin family of metalloproteases, related to Xenopus hatching enzyme (Xhe), that we named Xhe2. Xhe2 is exclusively expressed in hatching gland cells as they first emerge at the lateral edge of the anterior neural plate, and persists in this tissue up to the tadpole stage. Knockdown experiments show that Xhe2 expression depends entirely on Pax3 function. Gain-of-function studies demonstrate that Pax3 can induce premature hatching through the upregulation of several proteolytic enzymes including Xhe2. Interestingly, Xhe2 overexpression is sufficient to induce early hatching, indicating that Xhe2 is one of the key components of the degradation mechanism responsible for breaking down the vitelline membrane.
FIG. 1. Strategy to isolate Pax3 targets in the developing hatching
gland. Xenopus embryos were injected at the 2-cell stage with
mRNA encoding GR (not shown), Pax3GR, and Zic1GR (250 pg
each), alone or in combination. At the blastula stage (Stage 9), animal
cap explants were dissected and cultured for 8 h in the presence
of dexamethasone. While Pax3 alone induces hatching
gland-specific genes (Xhe and Crisp), the combination of Pax3 and
Zic1 promotes neural crest fate (Snail2 and Sox8) at the expense of
hatching gland fate (Hong and Saint-Jeannet, 2007). RNA were
extracted from each sample, analyzed by Qpcr, and subsequently
used to screen a GeneChip Xenopus laevis Genome 2.0 Array
(Affymetrix) as previously described (Bae et al., 2014).
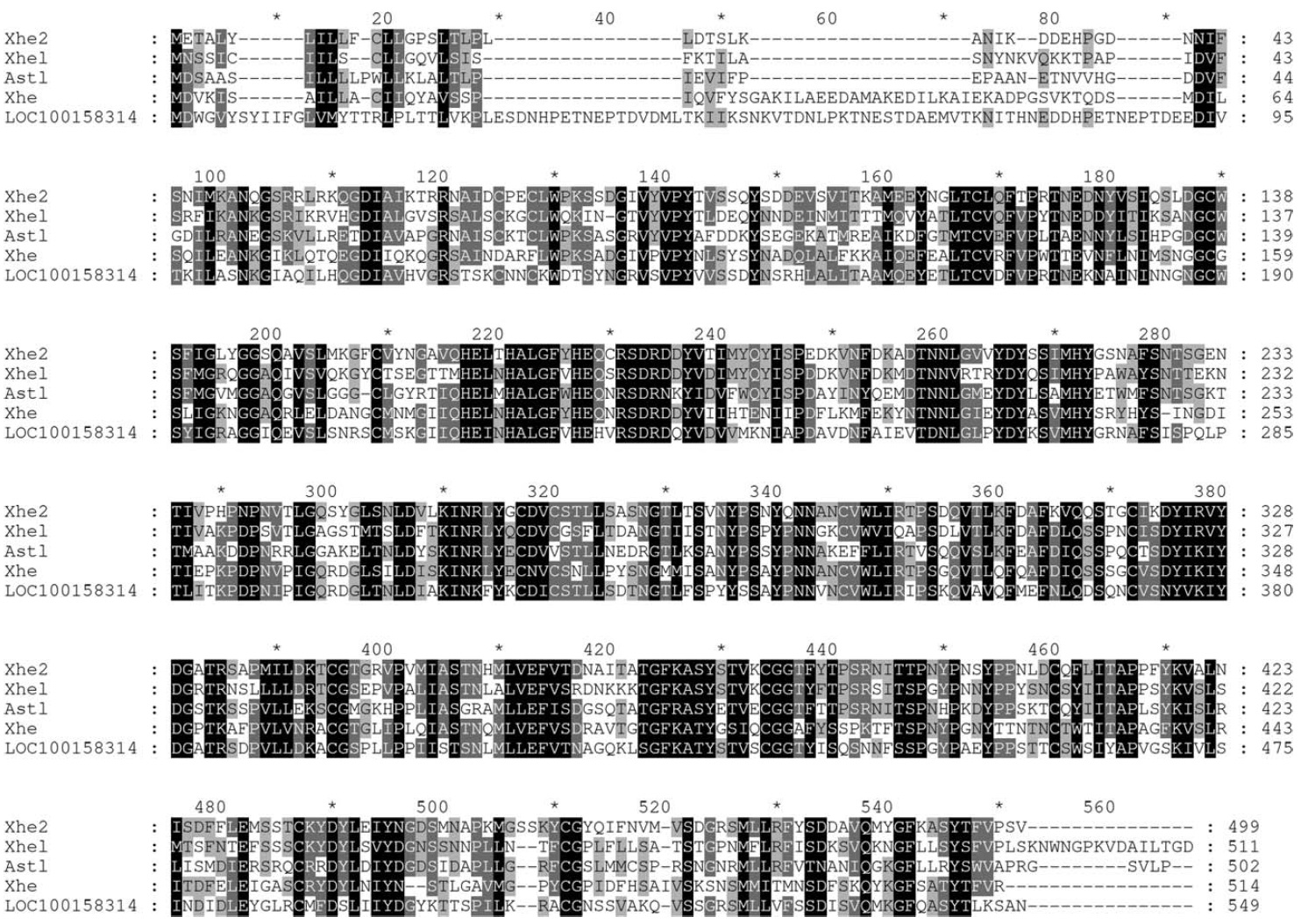
FIG. 2. Sequence comparison of proteins related to Xhe2. The predicted amino acid sequences from Xenopus laevis Xhe2, Xhel, Ast-1,
Xhe, and LOC100158314 genes were aligned using ClustalX2. Amino acid conservation among these proteins is indicated.
FIG. 3. Developmental expression of Xhe2. (a) Xhe2 is first
detected at the neurula stage into two regions lateral to the anterior
neural plate. (b) As the neural tube closes, the two lateral domains
converge at the dorsal midline in a pattern identical to that of Xhe
(c). Embryos are viewed from the dorsal side, anterior to top. (d) By
stage 25, the two posterior domains have completely fused dorsally
to form the characteristic inverted Y shape of the hatching
gland. Frontal view, dorsal to top. (e) Lateral view of a stage 33
embryo illustrating the dorsal anterior expression domain of Xhe2.
This expression pattern persists up to the tadpole stage (f), though
around Stage 42 the number of Xhe2 expressing cells starts to
decrease (g). Dorsal views, anterior to left. The developmental
stages (Nieuwkoop and Faber, 1967) are indicated in the lower left
corner of each panel (aâg).
FIG. 4. Xhe2 expression is regulated by Pax3. (a) Unilateral injection
of Pax3GR mRNA resulted in a dramatic expansion of Xhe2
expression domain (100% of the embryos; n521). (b) Conversely,
morpholino-mediated knockdown of Pax3 caused a loss of Xhe2
expression on the injected side (100% of the embryos; n521). The
injected side is on the right, as indicated by the presence of the lineage
tracer (Red-gal). Embryos are viewed from the dorsal side,
anterior to top.
FIG. 5. Xhe2 overexpression promotes early hatching. (a) Embryos injected with Xhe2 mRNA or injected with Pax3GR mRNA and treated
with dexamethasone (Pax3GR 1Dex) at the gastrula stage hatch earlier than their siblings cultured in the absence of dexamethasone
(Pax3GR), or injected with b-galactosidase mRNA (b-gal). Note that while Xhe2 and Pax3GR1Dex embryos are fully extended, Pax3GR and
b-gal embryos are still bent due to the constraint of the vitelline membrane. (b) Quantification of the results. Among the four experimental
conditions the time at which the first embryo hatched was recorded at time zero. Each symbol represents one embryo. (c) Stage 25
embryos that received unilateral injection of Pax3GR at the 2-cell stage and treated with dexamethasone (Pax3GR 1Dex) exhibited a strong
ectopic expression of Xhe, Crisp, and Xhe2 on the injected side (arrows), while in sibling embryos cultured in the absence of dexamethasone
(Pax3GR), or injected with b-galactosidase mRNA (b-gal), the expression of these genes was unperturbed. Early hatching in Xhe2
mRNA injected-embryos is a direct consequence of Xhe2 overexpression. Here, the Xhe2 in situ hybridization probe recognizes the injected
Xhe2 mRNA. Frontal views, dorsal to top.
FIG. 6. Histology of tailbud stage embryos overexpressing Pax3GR or Xhe2. (a,b) Transverse section of an embryo injected with Pax3GR
mRNA and stained with Xhe2. Xhe2 ectopic expression (arrow) is associated with a structure that resembles hatching gland cells. (b) Higher
magnification view of the Xhe2 ectopic cells in panel (a). (câf) Transverse section of two embryos injected with Xhe2 mRNA and stained
with Xhe. Xhe2 overexpression results in hyperplasia of the ectoderm (arrows). (d) and (f) are higher magnification views of panel (c) and (e),
respectively. All panels are transverse sections, dorsal to top. nt; neural tube.