Click here to close
Hello! We notice that you are using Internet Explorer, which is not supported by Xenbase and may cause the site to display incorrectly.
We suggest using a current version of Chrome,
FireFox, or Safari.
J Gen Physiol
2011 Oct 01;1384:453-66. doi: 10.1085/jgp.201110686.
Show Gene links
Show Anatomy links
5-HT3 receptor ion size selectivity is a property of the transmembrane channel, not the cytoplasmic vestibule portals.
McKinnon NK
,
Reeves DC
,
Akabas MH
.
???displayArticle.abstract???
5-HT3A receptors select among permeant ions based on size and charge. The membrane-associated (MA) helix lines the portals into the channel's cytoplasmic vestibule in the 4-Å resolution structure of the homologous acetylcholine receptor. 5-HT3A MA helix residues are important determinants of single-channel conductance. It is unknown whether the portals into the cytoplasmic vestibule also determine the size selectivity of permeant ions. We sought to determine whether the portals form the size selectivity filter. Recently, we showed that channels functioned when the entire 5-HT3A M3-M4 loop was replaced by the heptapeptide M3-M4 loop sequence from GLIC, a bacterial Cys-loop neurotransmitter gated ion channel homologue from Gloebacter violaceus. We used homomeric 5-HT3A receptors with either a wild-type (WT) M3-M4 loop or the chimeric heptapeptide (5-HT3A-glvM3M4) loop, i.e., with or without portals. In Na(+)-containing buffer, the WT receptor current-voltage relationship was inwardly rectifying. In contrast, the 5-HT3A-glvM3M4 construct had a negative slope conductance region at voltages less than -80 mV. Glutamine substitution for the heptapeptide M3-M4 loop arginine eliminated the negative slope conductance region. We measured the relative permeabilities and conductances of a series of inorganic and organic cations ranging from 0.9 to 4.5 Å in radius (Li(+), Na(+), ammonium, methylammonium, ethanolammonium, 2-methylethanolammonium, dimethylammonium, diethanolammonium, tetramethylammonium, choline, tris [hydroxymethyl] aminomethane, and N-methyl-d-glucamine). Both constructs had measurable conductances with Li(+), ammonium, and methylammonium (size range of 0.9-1.8-Å radius). Many of the organic cations >2.4 Å acted as competitive antagonists complicating measurement of conductance ratios. Analysis of the permeability ratios by excluded volume theory indicates that the minimal pore radius for 5-HT3A and 5-HT3-glvM3M4 receptors was similar, ∼ 5 Å. We infer that the 5-HT3A size selectivity filter is located in the transmembrane channel and not in the portals into the cytoplasmic vestibule. Thus, the determinants of size selectivity and conductance are located in physically distinct regions of the channel protein.
???displayArticle.pubmedLink???
21948949
???displayArticle.pmcLink???PMC3182448 ???displayArticle.link???J Gen Physiol ???displayArticle.grants???[+]
Figure 1. The MA-helix structure in the M3–M4 loop region and the portals into the channel’s cytoplasmic vestibule using the 4-Å resolution cryo-EM nicotinic ACh receptor structure (Protein Data Bank accession no. 2BG9). Only the MA-helix portion of the M3–M4 loop region structure was resolved. (A) The entire receptor structure is shown, including the largely β-strand extracellular domain, the largely α-helical membrane-spanning domain, and the cytoplasmic MA helix. The first two domains are shown in ribbon cartoon representation, whereas the MA helix is shown in space-filling representation. Each subunit is shown in a different color for illustrative purposes. (B) The structure after removal of the cytoplasmic M3–M4 loop domain. (C) Close-up view from the cytoplasm of a portal into the channel’s cytoplasmic vestibule. The portal region that ions would traverse to enter or leave the vestibule is colored blue. (D) View of the channel’s cytoplasmic vestibule. The MA helices from the front two subunits (orange and tan) have been removed to visualize the cytoplasmic vestibule and the cytoplasmic mouth of the channel. The portals between the MA helices of the remaining three subunits are colored blue. Figure constructed with PyMOL version 1.4.1 and Photoshop version 10.0.1.
Figure 2. (A) I-V ramp (red) for a WT 5-HT3A receptor. Red curve is the background-subtracted I-V ramp of an oocyte expressing WT 5-HT3A receptor. It is the I-V ramp in the presence of 5-HT (black) minus a ramp in the absence of 5-HT (gray). (B) Normalized I-V ramps from a single oocyte at subsaturating (0.6 µM; black line) and saturating (10 µM; gray line) 5-HT concentrations. Both currents are normalized to the maximum current at −120 mV for the subsaturating 5-HT concentration (−1.8 µA). The maximum current for the saturating 5-HT concentration at −120 mV is −4.5 µA. (C) Tangent line (black) shown on the linear portion from −70 to −30 mV of a WT 5-HT3A I-V curve (red).
Figure 3. Characterization of the negative slope conductance of the 5-HT3A–glvM3M4 receptor. (A) I-V ramp (red) for a 5-HT3A–glvM3M4 receptor demonstrating the negative slope conductance at the more negative voltages. Red curve is the background-subtracted I-V ramp of an oocyte expressing 5-HT3A–glvM3M4 receptor. It is the I-V ramp in the presence of 5-HT (black) minus a ramp in the absence of 5-HT (gray). All other I-V curves shown are the background-subtracted curves. (B) I-V curves for a 5-HT3A–glvM3M4 receptor in the presence of 1 mM EGTA (blue) and the absence of EGTA (red). (C) I-V curve for the 5-HT3A–SQPAQAA. The negative slope conductance is not present when the Arg residue is removed from the M3–M4 loop. A 5-HT EC30 concentration (400–1,200 nM) was used for the experiments and determined for each oocyte expressing 5-HT3A receptors.
Figure 4. The effect of substitution of Na+ with organic cations on the I-V relationship of 5-HT3 receptors at saturating concentrations of 5-HT (50 µM). (Top) 5-HT3A WT receptors. (Bottom) Chimeric 5-HT3A–glvM3M4 receptors. Data points at each potential sample are plotted as the mean normalized current ± SEM along with the interpolated fit through the points. The data were normalized for clarity to the current at either +31 or +37 mV, dependent on the exact protocol used.
Figure 5. Shifts in the reversal potential of I5-HT and changes in relative conductance upon substitution of Na+ with inorganic and organic cations in oocytes expressing either 5-HT3A WT (filled bars) or chimeric 5-HT3A–glvM3M4 (open bars) receptors. (Top) Conductance ratios were calculated taking the slope across the voltage range of −70 to −30 mV for each cation and dividing by the Na+ slope. (Bottom) Reversal potentials derived from the data in Table I were subtracted from those determined in 98 mM Na+ for each subunit. Where a significant difference in ΔVr was observed between the two receptors tested, it is marked with an asterisk (*, P < 0.01; two way ANOVA).
Figure 6. Comparison of the I-V relationship of the WT 5HT3A and chimeric 5-HT3A–glvM3M4 receptor in cations ≥2.4-Å radius. Normalized I-V relationships for WT 5-HT3A in external 98 mM of Na+ solution (gray) or external 98 mM of cation solution (black). (A, C, E, and G) WT 5HT3A and (B, D, F, and H) 5-HT3A–glvM3M4 receptors. (A and B) Li+, (C and D) NH4+, (E and F) methylammonium, and (G and H) ethanolammonium. Both receptors are permeant to cations of <2.4 Å. Subsaturating concentrations of 5-HT were used in these experiments.
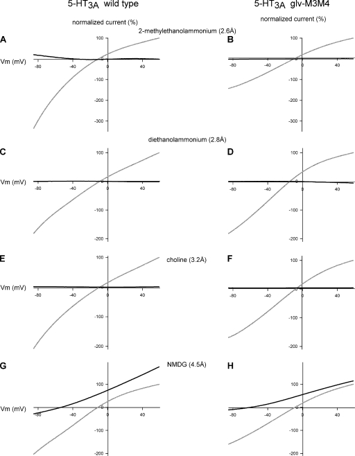
Figure 7. Comparison of I-V relationships for WT 5-HT3A and chimeric 5-HT3A–glvM3M4 receptors for cations between 2.6 and 4.5–Å radius. Normalized I-V relationship for WT 5-HT3A in external 98 mM of Na+ solution (gray) or external 98 mM of cation solution (black). (A, C, E, and G) WT 5HT3A and (B, D, F, and H) 5-HT3A–glvM3M4 receptors. (A and B) 2-Methylethanolammonium, (C and D) diethanolammonium, (E and F) choline, and (G and H) NMDG. Neither receptor is significantly permeable to cations of >4.5-Å radius. The midsized cations (between 2.6 and 4.5 Å) had flat I-V relationships, possibly from the cation blocking the pore or from the cation acting as competitive antagonists at the 5-HT–binding site. Subsaturating concentrations of 5-HT were used in these experiments.
Figure 8. The relationship between relative permeability and ionic radius in 5-HT3 receptors. Plot of the square root of the relative permeability against ionic radius for the series of cations in Table I, along with linear regression lines for each dataset: solid line, WT; dashed line, 5-HT3A–glvM3M4. Note that two cations share the same calculated radius at 2.6 Å, and that the measured relative permeabilities are similar. NMDG, which was impermeant, was excluded from the linear regression analysis. The ammonium results were also excluded because of the large difference between the two channels and the confounding effects of ammonium ion substitution on the oocyte endogenous currents.
Akabas,
GABAA receptor structure-function studies: a reexamination in light of new acetylcholine receptor structures.
2004, Pubmed
Akabas,
GABAA receptor structure-function studies: a reexamination in light of new acetylcholine receptor structures.
2004,
Pubmed
Akabas,
Acetylcholine receptor channel structure probed in cysteine-substitution mutants.
1992,
Pubmed
,
Xenbase
Bali,
The location of a closed channel gate in the GABAA receptor channel.
2007,
Pubmed
,
Xenbase
Barnes,
The 5-HT3 receptor--the relationship between structure and function.
2009,
Pubmed
Bera,
GABA(A) receptor M2-M3 loop secondary structure and changes in accessibility during channel gating.
2002,
Pubmed
Bocquet,
X-ray structure of a pentameric ligand-gated ion channel in an apparently open conformation.
2009,
Pubmed
Bocquet,
A prokaryotic proton-gated ion channel from the nicotinic acetylcholine receptor family.
2007,
Pubmed
,
Xenbase
Brejc,
Crystal structure of an ACh-binding protein reveals the ligand-binding domain of nicotinic receptors.
2001,
Pubmed
Carland,
Characterization of the effects of charged residues in the intracellular loop on ion permeation in alpha1 glycine receptor channels.
2009,
Pubmed
Changeux,
Allosteric receptors: from electric organ to cognition.
2010,
Pubmed
Cohen,
Mutations in M2 alter the selectivity of the mouse nicotinic acetylcholine receptor for organic and alkali metal cations.
1992,
Pubmed
,
Xenbase
Connolly,
Trafficking of 5-HT(3) and GABA(A) receptors (Review).
2008,
Pubmed
Das,
Molecular determinants of picrotoxin inhibition of 5-hydroxytryptamine type 3 receptors.
2005,
Pubmed
Davies,
The 5-HT3B subunit is a major determinant of serotonin-receptor function.
1999,
Pubmed
,
Xenbase
Deeb,
Dynamic modification of a mutant cytoplasmic cysteine residue modulates the conductance of the human 5-HT3A receptor.
2007,
Pubmed
Donizelli,
LGICdb: a manually curated sequence database after the genomes.
2006,
Pubmed
Dwyer,
The permeability of the endplate channel to organic cations in frog muscle.
1980,
Pubmed
Galzi,
Mutations in the channel domain of a neuronal nicotinic receptor convert ion selectivity from cationic to anionic.
1992,
Pubmed
,
Xenbase
Goren,
Loose protein packing around the extracellular half of the GABA(A) receptor beta1 subunit M2 channel-lining segment.
2004,
Pubmed
,
Xenbase
Hales,
Common determinants of single channel conductance within the large cytoplasmic loop of 5-hydroxytryptamine type 3 and alpha4beta2 nicotinic acetylcholine receptors.
2006,
Pubmed
Hansen,
An ion selectivity filter in the extracellular domain of Cys-loop receptors reveals determinants for ion conductance.
2008,
Pubmed
Hibbs,
Principles of activation and permeation in an anion-selective Cys-loop receptor.
2011,
Pubmed
Hilf,
X-ray structure of a prokaryotic pentameric ligand-gated ion channel.
2008,
Pubmed
Hilf,
Structure of a potentially open state of a proton-activated pentameric ligand-gated ion channel.
2009,
Pubmed
Horenstein,
Protein mobility and GABA-induced conformational changes in GABA(A) receptor pore-lining M2 segment.
2001,
Pubmed
,
Xenbase
Hussy,
Functional properties of a cloned 5-hydroxytryptamine ionotropic receptor subunit: comparison with native mouse receptors.
1994,
Pubmed
Imoto,
Rings of negatively charged amino acids determine the acetylcholine receptor channel conductance.
1988,
Pubmed
,
Xenbase
Jansen,
Modular design of Cys-loop ligand-gated ion channels: functional 5-HT3 and GABA rho1 receptors lacking the large cytoplasmic M3M4 loop.
2008,
Pubmed
,
Xenbase
Jones,
Single channel properties of the 5-HT3 subtype of serotonin receptor in primary cultures of rodent hippocampus.
1994,
Pubmed
Kelley,
A cytoplasmic region determines single-channel conductance in 5-HT3 receptors.
2003,
Pubmed
Keramidas,
Ligand-gated ion channels: mechanisms underlying ion selectivity.
2004,
Pubmed
Kooyman,
Tetraethylammonium ions block 5-HT3 receptor-mediated ion current at the agonist recognition site and prevent desensitization in cultured mouse neuroblastoma cells.
1993,
Pubmed
Kracun,
Influence of the M3-M4 intracellular domain upon nicotinic acetylcholine receptor assembly, targeting and function.
2008,
Pubmed
Lester,
Cys-loop receptors: new twists and turns.
2004,
Pubmed
Maricq,
Primary structure and functional expression of the 5HT3 receptor, a serotonin-gated ion channel.
1991,
Pubmed
,
Xenbase
Noam,
On the voltage-dependent Ca2+ block of serotonin 5-HT3 receptors: a critical role of intracellular phosphates.
2008,
Pubmed
Panicker,
Minimal structural rearrangement of the cytoplasmic pore during activation of the 5-HT3A receptor.
2004,
Pubmed
,
Xenbase
Peters,
Molecular determinants of single-channel conductance and ion selectivity in the Cys-loop family: insights from the 5-HT3 receptor.
2005,
Pubmed
Reeves,
Structural and electrostatic properties of the 5-HT3 receptor pore revealed by substituted cysteine accessibility mutagenesis.
2001,
Pubmed
Reeves,
The molecular basis of the structure and function of the 5-HT3 receptor: a model ligand-gated ion channel (review).
2002,
Pubmed
Tasneem,
Identification of the prokaryotic ligand-gated ion channels and their implications for the mechanisms and origins of animal Cys-loop ion channels.
2005,
Pubmed
Unwin,
Refined structure of the nicotinic acetylcholine receptor at 4A resolution.
2005,
Pubmed
Van Hooft,
Ca2+ ions block and permeate serotonin 5-HT3 receptor channels in rat hippocampal interneurons.
2003,
Pubmed
Villarroel,
Location of a threonine residue in the alpha-subunit M2 transmembrane segment that determines the ion flow through the acetylcholine receptor channel.
1991,
Pubmed
,
Xenbase
Xu,
Interaction of picrotoxin with GABAA receptor channel-lining residues probed in cysteine mutants.
1995,
Pubmed
,
Xenbase
Xu,
Identification of channel-lining residues in the M2 membrane-spanning segment of the GABA(A) receptor alpha1 subunit.
1996,
Pubmed
,
Xenbase
Yakel,
The selectivity of the channel coupled to the 5-HT3 receptor.
1990,
Pubmed
Yang,
Ion permeation through 5-hydroxytryptamine-gated channels in neuroblastoma N18 cells.
1990,
Pubmed
Yang,
5-HT3 receptor channels in dissociated rat superior cervical ganglion neurons.
1992,
Pubmed