|
Fig. 1. Nucleotide sequence and deduced amino acid sequence of Xenopus laevis cDNA clone pXenCK55(5/6)
encoding a type II cytokeratin. Asterisk denotes stop codon. The poly(A) region and the portion of the 5'-untranslated
region of the mRNA are not represented in the clones.
|
|
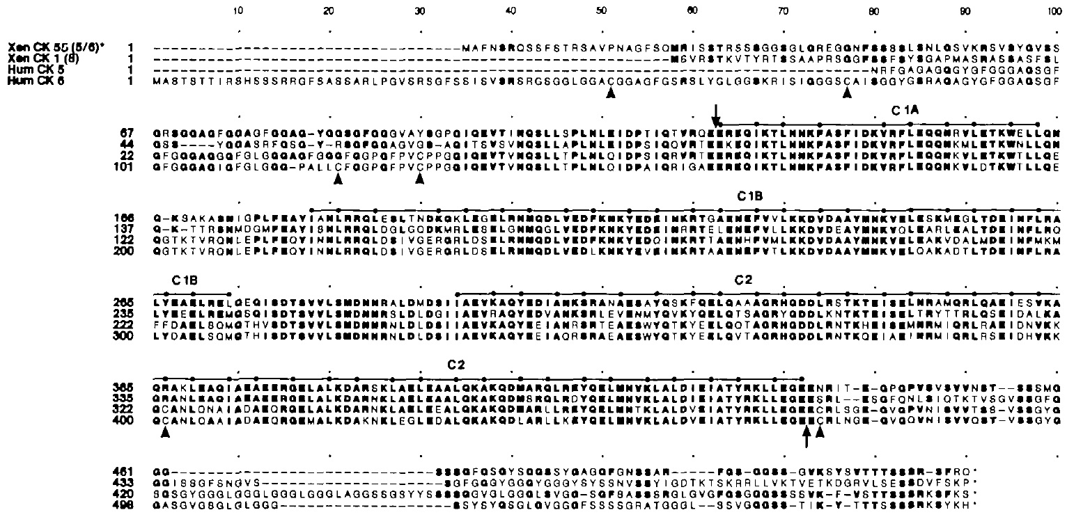
Fig. 2. Amino acid comparison of Xenopus cytokeratin Xen55(5/6), Xenopus cytokeratin XenCKl(8) (taken from
Franz & Franke, 1986), the partial sequence of human cytokeratin K5 (from Lersch & Fuchs, 1988) and human
cytokeratin K6 (from Tyner et al. 1985). The asterisk in the XenCK55(5/6) sequence indicates the problem of
designation in relation to the human cytokeratin catalogue of Moll et al. (1982a). This protein migrates with an apparent
Mr of 58000 on SDS-PAGE and shares sequence features in the head and tail region with human cytokeratins K5 and
K6.
Sequences are aligned to obtain maximal homology, deletions introduced for this purpose are denoted by horizontal
bars. Bold-faced letters denote amino acids identical in Xenopus cytokeratin XenCK55(5/6) and at least one of the
other basic cytokeratins. The downward arrow indicates the start and the upward arrow the end of the cr-helical rod.
The lines and dots above the sequence blocks indicate the extent of the coiled-coil subdomains CIA, Clb and C2 of the
rod domain. The dots represent positions a and d of the heptade convention to maximize coiled-coil configuration. Note
the absence of cysteines in both Xenopus cytokeratins, whereas 6 are present in human cytokeratin 6 and 3 in the
partial sequence of human cytokeratin 5 (indicated by arrowheads).
|
|
Fig. 3. Amino acid sequence comparison of the
carboxyterminal region of Xenopus cytokeratin
XenCK55(5/6) with that of various other cytokeratins of
the same (type II) subfamily. Bovlll and BovIV are the
respective bovine analogues to human cytokeratins 5 and
6. Human cytokeratins 1 (Johnson et al. 1985) and 4
(Leube et al. 1988) as well as the Xenopus type II
cytokeratins 1(8) (Franz & Franke, 1986) and the type I
cytokeratin XK81, here named HXenCK81Al' (Jonas et
al. 1985) are shown for comparison. Sequences are
aligned to achieve maximal homology for cytokeratins
XenCK55(5/6) with Bovlll and BovIV. Boxes denote
extensive sequence homology. Conservative exchanges
have been included into the boxed area. The consensus
sequence DGRKV found in certain type I and type II
cytokeratins as well as in several nonkeratinous IF
proteins has been underlined.
|
|
Fig. 4. Identification of the polypeptide encoded by the
XenCK55(5/6) mRNA, using in vitro translation of
mRNA selected by hybridization to the cDNA clone
pXenCK55(5/6), followed by two-dimensional coelectrophoresis
of the radioactively labelled translation
product with cytoskeletal proteins of oesophageal mucosa
from adult Xenopus (first dimension: isoelectric focusing,
direction denoted by horizontal arrow; second dimension:
SDS-PAGE, vertical arrow). (A) Coomassie-blue-stained
gel, major cytoskeletal proteins of oesophageal mucosa
are denoted by brackets. Cytokeratins are numbered, the
bracket without a number denotes an as yet unidentified
cytoskeletal protein, a, actin; b, bovine serum albumin.
(B) Autoradiograph of the gel shown in A, showing that
the 35S-methionine-labelled products obtained after
translation in vitro of the hybrid-selected embryonal
stage-18 mRNA comigrate with the unlabelled
oesophageal cytokeratin polypeptides 1 and 2.
(C) Autoradiograph of a gel in parallel, showing the 35Smethionine-
labelled product obtained after translation in
vitro of the hybrid-selected mRNA from total RNA of
oesophageal mucosa of the adult animal which comigrates
with the oesophageal polypeptides 1 and 2.
|
|
|
|
Fig. 6. Detection of mRNA encoding cytokeratin
XenCK55(5/6) in various stages of development of
Xenopus laevis by Northern blot hybridization. Lane 1,
unfertilized eggs; lane 2, stage 6-5 (morula); lane 3, stage
9 (fine cell blastula); lane 4, stage 11 (gastrula); lane 5,
stage 14 (neural plate stage); lane 6, stage 18 (neural
groove stage); lane 7, stage 28; lane 8, stage 39; lane 9,
stage 42 (swimming tadpole). 20^g of total RNA were
loaded on a formaldehyde/agarose gel. RNAs were
hybridized with a random-primed, 32P-labelled, 3'-specific
probe synthesized from clone pXenCK55(5/6). Note
reaction with a -2-4 kb RNA (lanes 5 to 8). The mRNA
is first detected in gastrulae (stage 11, lane 4), as revealed
after prolonged exposure and drastically increases in
neurulae. There is no specific mRNA detectable in
unfertilized eggs and pregastrulation stage (lanes 1-3
RNA loading and blot was controlled by photography).
|
|
Fig. 7. Detection of mRNA encoding cytokeratin
XenCK55(5/6) in different tissues of adult Xenopus
laevis. Lane 1, ovary; lane 2, liver; lane 3, cardiac
muscle; lane 4, skeletal muscle; lane 5, skin; lane 6,
XLKE-A6 cell cultures; lane 7, oesophagus. 20 ng total
RNA (lanes 3, 4 and 7) or l^g poly(A)+RNA (lanes 1,
2, 5 and 6) were loaded on a formaldehyde/agarose gel.
RNAs were hybridized with a random-primed, 32Plabelled
fragment of clone pXenCK55(5/6) representing
the 3'-untranslated region of the mRNA. Bars indicate
positions of 28S and 18S rRNA of Xenopus laevis. RNA
of negative samples (lanes 1-4) has been controlled by
reaction with other cDNA probes such as pXenViml,
pXenDesl, pXLl/8 (Franz & Franke, 1986; Herrmann et
al. 1988a,b).
|
|
developmental stages and adult tissues of Xenopus laevis.
(A) RNA blot analysis (Northern blot) of gel
electrophoretically separated total RNA (50 JJ% each)
from different tissues and embryonic stages: Lane 1,
oocytes; lane 2, unfertilized eggs; lane 3, stage 18 (neural
groove stage); lane 4, stage 42 (swimming tadpole); lane
5, adult oesophageal mucosa; lane 6, adult skeletal
muscle; lane 7, cultured kidney epithelial cells of line A6.
RNAs were hybridized with radioactively labelled,
XenCK81-specific 60-mer polynucleotide (see Materials
and Methods). There is a reaction with an approximately
1-6 kb RNA in stages 18 and 42 (lanes 3 and 4) and in the
oesophageal epithelium (lane 5). Horizontal bars indicate
positions of rRNAs co-electrophoresed for reference
(from top to bottom: bovine 28S, E. coli 23S, bovine 18S
and E. coli 16S rRNA). (B) SI nuclease protection
analysis using poly(A)+RNA (5 fig each) from different
embryonic stages and adult tissues and the radioactively
labelled polynucleotide probe for XenCK81A. Lane 1,
60-mer polynucleotide alone; lane 2, not loaded; lane 3,
unfertilized eggs; lane 4, stage 6-5 (morula); lane 5, stage
9 (fine cell blastula); lane 6, stage 18 (neurula groove
stage); lane 7, stage 42 (swimming tadpole); lane 8, adult
oesophageal epithelium; lane 9, adult epidermis; lane 10,
cultured kidney epithelial cells of line XLKE-A6; lane 11,
adult skeletal muscle; lane 12, ovary; lane 13, yeast
tRNA; lane 14, assay without RNA added; lane 15, not
loaded; lane 16, assay without SI nuclease, 300cpm
loaded. Note the extremely strong reaction in lane 6
(stage 18) but also positive, although weaker signals in
lanes 7 (tadpole) and 8 (adult oesophagus).
|
|
Fig. 9. Immunofluorescence microscopy (A, phasecontrast
optics; B, epifluorescence) of section through
frozen oesophagus of adult Xenopus laevis, showing
positive reaction with monoclonal cytokeratin antibody
(KL1) in the epithelium (brackets) whereas the lamina
proparia (Ip) is negative. Asterisks denote the
oesophageal lumen. Bar, 50um
|
|
Fig. 10. Two-dimensional gel electrophoresis of
cytoskeletal proteins from oesophageal mucosa of adult
Xenopus laevis as seen after staining with Coomassie blue
(A), after immunoblot reaction with monoclonal antibody
K,panl-8.136 reactive with type II cytokeratins (B,
autoradiograph), or after identification of type I
cytokeratins by specific binding of purified, [125I]-labelled
cytokeratin 8 (A) from rat liver (C, autoradiograph).
Separation of proteins was as described in Fig. 4. a, actin;
b, bovine serum albumin. Brackets with numbers
designate the polypeptides identified as cytokeratins, the
bracket without a number denotes a yet unidentified
component. Type II cytokeratin polypeptides are
collectively identified by the reaction shown in B, type I
cytokeratins by the cytokeratin binding assay (C).
|
|
Fig. 11. Identification of the polypeptide encoded by
XenCK81A mRNA, using in vitro translation of mRNA
selected by hybridization to the cloned 60-mer
polynucleotide, followed by two-dimensional
coelectrophoresis of the translation product with
cytoskeletal proteins of oesophageal mucosa from adult
Xenopus. Separation of polypeptides was as described in
Fig. 4. (A) Coomassie blue-staining. (B) Autoradiograph
of the gel shown in A. Note that the [35S]methioninelabelled
product of the in vitro translation from hybridselected
embryonal stage-18 mRNA comigrates with the
unlabelled oesophageal cytokeratin polypeptide 6 as seen
in A.
|