Click here to close
Hello! We notice that you are using Internet Explorer, which is not supported by Xenbase and may cause the site to display incorrectly.
We suggest using a current version of Chrome,
FireFox, or Safari.
Thyroxine-dependent modulations of the expression of the neural cell adhesion molecule N-CAM during Xenopus laevis metamorphosis.
Levi G
,
Broders F
,
Dunon D
,
Edelman GM
,
Thiery JP
.
???displayArticle.abstract???
During amphibian metamorphosis, a complete remodeling of the phenotype takes place under complex hormonal control whose final effectors are thyroid hormones. This process implies the activation of coordinated programs of cell death, proliferation, migration, adhesion and differentiation. Inasmuch as the neural cell adhesion molecule N-CAM is thought to play a central role in the control of morphogenetic processes, we have studied by immunohistofluorescence and immunoblots the patterns of expression of N-CAM at different stages of Xenopus laevis metamorphosis. A scan was made of all major organs and appendages. Before the metamorphic climax, all neuronal cell bodies and processes express high levels of N-CAM. During the metamorphic climax, N-CAM expression decreases sharply on the cell bodies and processes of the peripheral nervous system (PNS) but remains high in the central nervous system (CNS). Towards the end of metamorphosis, the PNS and spinal nerves are virtually negative for N-CAM while the CNS is still positive. The optic and olfactory nerves, although myelinated, are still strongly positive for N-CAM. The lens and olfactory epithelia express N-CAM throughout metamorphosis. In the brain. N-CAM is present at all times as three polypeptides of 180, 140, and 120 X 10(3) Mr; before metamorphosis some of the N-CAM is in its polysialylated form. During metamorphosis and the subsequent growth of the animal, the amount of N-CAM decreases gradually. In all polypeptides, the polysialylated form is the first to disappear. Cardiac muscle expresses high level of N-CAM from its first formation throughout metamorphosis; in contrast, the level of N-CAM in skeletal muscle is high in newly formed muscles, but decreases rapidly after myoblast fusion. The liver of adult Xenopus contains large amounts of a 160 X 10(3) polypeptide that is recognized by polyclonal and monoclonal antibodies against N-CAM. cDNA probes of Xenopus brainN-CAM recognize major transcripts of 9.2, 3.8 and 3.3 kb in Xenopus liver mRNA; these bands are different in size from those recognized in brain mRNA (9.5, 4.2 and 2.2 kb). Premetamorphic liver does not express the 160 X 10(3) form of N-CAM, which can be first detected at stage 59 and persists then through all the life of the animal. Expression of N-CAM in the liver can be induced in premetamorphic animals (stage 51-52) by a 48 h treatment with thyroxine. All hepatocytes are responsive.(ABSTRACT TRUNCATED AT 400 WORDS)
Fig. 1. Distribution of N-CAM and NC-1 immunoreactivity in the spinal cord and dorsal root ganglia. Section of
premetamorphic Xenopus tadpoles (stage 54 NF) (A,B) and of animals toward the end of the metamorphic climax (stage 64
NF) (C,D) were double stained with polyclonal antibodies against Xenopus N-CAM (A,C) and with NC-1 monoclonal
antibody (B,D). Before metamorphosis all neuronal cell bodies and processes of the CNS and peripheral ganglia including
the neural epithelium lining the ependymal canal were labeled by anti-N-CAM antibodies; NC-1 recognized mostly the fibers
in the CNS and cell bodies and fibers in the PNS. After metamorphosis the staining of anti-N-CAM antibodies persisted in
the CNS but disappeared on the cell bodies and fibers of the PNS; intense staining with anti-NC-1 persisted both in the CNS
and in the PNS. drg, dorsal root ganglia; sc, spinal cord. Bar: 100um.
Fig. 2. Distribution of N-CAM and NC-1 immunoreactivity in the nerves. Section of premetamorphic Xenopus tadpoles
(stage 52 NF) (A,B) and of animals toward the end of the metamorphic climax (stage 64 NF) (C-F) were double stained
with polyclonal antibodies against Xenopus N-CAM (A,C,E) and with NC-1 monoclonal antibody (B,D,F). Before
metamorphosis all nerves were intensely stained by anti-N-CAM and NC-1 antibodies. During metamorphosis the staining of
anti-N-CAM antibodies was greatly reduced in peripheral nerves (C) but remained high in central nerves such as the optic
nerve (E); NC-1 staining persisted in the nerves throughout metamorphosis, dm, dorsal muscle; m, muscle; on, optic nerve;
sn, sciatic nerve. Bar: 100um.
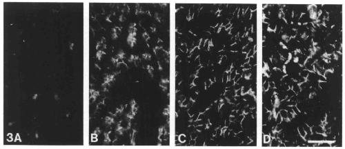
Fig. 3. Staining pattern of anti-N-CAM antibodies on Xenopus liver at different stages through metamorphosis. (A) Stage 57
NF; (B) stage 59 NF; (C) stage 61 NF; (D) stage 64 NF. N-CAM reactivity is first detectable on hepatocytes at stage 59 and
persists then throughout the life of the animal. Only hepatocytes and no other cell types were labeled by anti-N-CAM
antibodies. The staining was clearly a cell surface staining particularly intense in regions of cell-cell contact. Bar: 50um.
Fig. 4. Induction of N-CAM expression in the liver of
premetamorphic Xenopus. Premetamorphic tadpoles (stage
54 NF) were treated for 48 h with 3 10 M thyroxine added
directly in the rearing water. The reactivity of anti-N-CAM
antibodies on livers of control (A) and treated animals (B)
was then compared. All hepatocytes respond to thyroxine
treatment synthesizing N-CAM that is then rapidly
incorporated in the membrane and localized in areas of
cell-cell contact. Bar: 60um.
Fig. 5. Western and Northern blot analysis of N-CAM
expression in Xenopus liver and brain. (A) Western blot
analysis of N-CAM expression in Xenopus liver and brain.
100 /.ig of proteins extracted from different tissues were
resolved on 7 % polyacrylamide gels in the presence of SDS
and immunoblotted with anti-N-CAM polyclonal
antibodies. Lane 1, premetamorphic liver (stage 54 NF).
Lane 2, as lane 1 after 48 h treatment of the animal with
3x10 M thyroxine. Lane 3, postmetamorphic liver (stage
64 NF). Lane 4, adult liver. Lane 5, premetamorphic brain.
Lane 6, as lane 5 after 48 h thyroxine treatment. Lane 7,
postmetamorphic brain (stage 64). Lane 8, adult brain. Mr
markers are at 205, 116 and 97X103, respectively.
(B) Northern blot analysis of RNA from adult Xenopus
liver (lane 1) and adult Xenopus brain (lane 2), with a
Xenopus N-CAM random primed probe. Size markers are
at 9.9, 3.8 and 2.2 kb respectively.
Fig. 6. Staining pattern of anti-N-CAM antibodies in
developing muscles during Xenopus metamorphosis.
(A) Section through a stage 52-53 NF Xenopus hindlimb.
The nerves and the condensing muscles are strongly
N-CAM-positive. Condensing cartilage and skin are
negative. (B) Section through the abdominal wall of a stage
54 NF Xenopus. Muscle bundles are strongly
N-CAM-positive, the skin is negative, c, cartilage; m,
muscle; n, nerve; sk, skin. Bar: 100um.
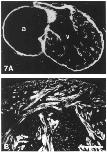
Fig. 7. Expression of N-CAM in Xenopus heart during
metamorphosis. Cardiac muscle was brightly stained by
anti-N-CAM antibodies from its first formation throughout
metamorphosis. (A) Stage 48 heart; (B) stage 64 cardiac
muscle, a, atrium; v, ventricle. Bar: 100/.an.
Fig. 8. Staining, pattern of anti-N-CAM antibodies on
Xenopus lens and olfactory epithelium. (A) The lensepithelium of stage 52 Xenopus is strongly labeled by anti-
N-CAM antibodies; lens fibers are not stained.
(B) Tangential section through the same lens; the cell
surface of the epithelial cells is strongly stained in areas of
cell-cell contact. (C) Transverse section through the same
epithelium, the apical aspect of the epithelial cells is not
stained. (D) Section through the olfactory organ of a stage
64 NF Xenopus tadpole. The olfactory nerve and the
sensory part of the olfactory epithelium are strongly stained
by anti-N-CAM antibodies. If, lens fiber; oe, olfactory
epithelium; oln, olfactory nerve. Bar=50um.