|
FIG. 1. Microtubule bundles in cleavage furrow. Whole-mount confocal scanning microscope views of the cytoplasmic bridge during
first cleavage of Xenopus embryos immunostained for microtubules. (A) Embryo, fixed 20 min after appearance of first cleavage furrow,
fractured parallel to the cleavage plane. Black arrow: dark line is accumulation of pigment at the boundary between original, pigmented
egg surface and new membrane domain. White arrow: furrow microtubule array (FMA). Scale bar 250 mm. (B) Higher magnification
detail of embryo shown in A, showing radial arrangement of microtubule bundles surrounding cytoplasmic bridge. Bar 50 mm. (C)
Embryo, fixed 24 min after appearance of first furrow, fractured perpendicular to cleavage plane. Bar 50 mm. (D) Rotated projection of
image stack, consisting of 30 optical sections through a portion of the FMA nearest the animal pole. View is analogous to an optical plane
tangent to the cytoplasmic bridge. Bar 15 um.
|
|
FIG. 2. Stereo pairs showing development of the microtubule array shortly after the initial appearance of the first cleavage furrow.
Projections were generated from confocal image stacks as described under Materials and Methods. Image planes are perpendicular to that
of cleavage. (A) Embryo fixed 3 min after furrow initiation. Note that several short microtubule bundles below furrow are oriented
obliquely relative to the spindle axis (e.g., at arrowhead). (B) Embryo fixed 9 min after furrow initiation. Horizontal arrowheads indicate
site of developing midzone. Bar 25 um.
|
|
FIG. 3. Microtubule distribution in prospective cleavage plane at
beginning of first cleavage. Embryo was fixed 9 min after appearance
of furrow. (A) Low-magnification view, showing location of
FMA at base of first cleavage furrow in animal hemisphere. (B)
Higher magnification montage of same specimen details the FMA
(fma) and midzone (mz) microtubules in the prospective cleavage
plane. Planar zone in the vegetal hemisphere (x) appears to be entirely
lacking in microtubules. Bar 50 um.
|
|
FIG. 4. Microtubule distribution in the vegetal portion of first cleavage furrow. Note absence of antiparallel midzone microtubule bundles deep to the FMA. Brightly staining bodies at the vegetal surface correspond to germ plasm islands. Bar 50 um.
|
|
FIG. 5. Midbodies develop between dividing cells after stage 7.Microtubule
staining pattern in animal hemisphere, revealing mid-
bodies,
spindles, and asters, but no circular FMAs. Dark cavity in lower right corner is the blastocoel. Bar 50 um.
|
|
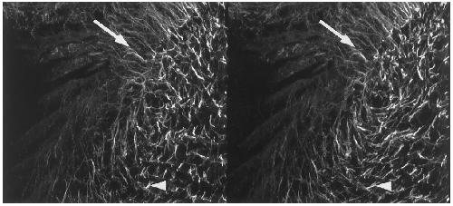
FIG. 6. Stereo pair showing microtubule distribution in cortex underlying stress folds near the advancing edge of the first furrow, about
halfway between the animal pole and equator. Projections were generated from a confocal image stack corresponding to 30 mm of total
depth through the specimen as described under Materials and Methods. Embryo was fixed 6 min after the appearance of the first cleavage
furrow and fractured parallel to the cleavage plane. Arrowheads: examples of distal branching of the midzone microtubule bundle. Arrows:
newly aligned furrow microtubule bundles.
|
|
FIG. 7. Regression of cleavage furrow following nocodazole treatment. Fertilized, dejellied egg was treated with 10 mg/ml nocodazole 5
min after appearance of the second cleavage furrow and observed via video time-lapse. Frames correspond to successive 5-min time points,
during which the second furrow (arrow) regresses. First cleavage furrow, near completion before drug application, remained unaffected.
|
|
FIG. 8. Cytochalasin D-treated embryo produces a new membrane domain at the site of furrow formation. Embryo was treated with 10
mg/ml cytochalasin D about 15 min after the second cleavage furrow initiated. The newly inserted membrane domain is easily distinguished
from the pigmented original egg surface.
|
|
FIG. 9. Microtubule array persists in a region of new membrane delivery following cytochalasin D treatment. A–C show confocal images
of the microtubule distributions in first-cleavage embryos fixed 5, 10, and 20 min, respectively, following exposure to 10 mg/ml cytochalasin
D. In C, the surface had entirely flattened out, and the embryo resembled the live one shown in Fig. 8. Bar 50 mm.
|
|
FIG. 10. Cleavage-dependent sensitivity to cold shock-induced rupture. Groups of 20 to 25 embryos were abruptly chilled by immersion in 47CMMR/3 for 4min, quickly returned to room temperature, and scored 2 min later for evidence of rupture along new cleavage furrows as described under Materials and Methods.
|
|
FIG. 11. FMA reassembles after cold shock. (A) Microtubule staining in the vegetal region of first-cleavage furrow, showing both FMA
and an abundance of thick bundles in the cytoplasmic bridge. (B) Microtubule staining during cold shock. Most bundles in both the FMA
and cytoplasmic bridge depolymerize. (C) Five minutes after return to room temperature, microtubule bundles have reformed in the FMA,
while there are still few cytoplasmic bridge microtubules.
|
|
FIG. 12. Injection of paclitaxel blocks furrowing and new membrane formation. Injection of 0.5 nl paclitaxel (10 mg/ml in DMSO) at
the animal pole just prior to cleavage prevented the furrow from progressing and new membrane from being deposited (A), while a similar
injection of DMSO did not alter cleavage (B). (C) Large numbers of paclitaxel-induced tubulin sheets occupy the cytoplasmic bridge, below
the furrow base.
|
|
FIG. 13. D2O fails to block furrowing or new membrane formation. (A) Egg treated with 50% D2O at 0.82 of the first cell cycle did not
form a furrow but inserted new membrane in random spots in the animal hemisphere at the time that untreated eggs began cleavage. (B)
Monasters are abundant in the cytoplasm of eggs treated with 50% D2O before first cleavage. Bar 30 mm. (C) Egg treated late in the
second cleavage cycle adds membrane along the active third cleavage furrow.
|
|
FIG. 14. Whole-mount preparations stained with anti-acetylated tubulin antibody 6-11B-1. (A) 5, (B) 20, and (C) 25 min after appearance
of first cleavage furrow; (D) stage 8 midbodies. Bar 50 um.
|
|
FIG. 15. Summary of animal–vegetal differences in the development of early FMAs. In the animal hemisphere, a meshwork of fibers
develops directly beneath the early furrow. Discontinuous midzone bundles are found generally deeper in the cytoplasm, between the
spindle poles. As the furrow deepens and new membrane is inserted along the cleavage plane, a prominent FMA develops at the furrow
base, possibly by condensation of the earlier meshwork. Discontinuous midzone bundles precede the furrow; whether they are ultimately
incorporated into the FMA or are passed by during the furrow’s advance is uncertain. In the vegetal hemisphere, the FMA develops largely
in the absence of midzone bundles.
|